This article provides insights into the art of designing robust space systems with integrated Failure Detection, Isolation, and Recovery (FDIR) strategies based on decades of accumulated expertise at Texas Instruments (TI). It was originally published by TI, a paying participant in the satsearch trusted supplier program, on TI.com at this link. It has been re-published here with TI’s permission and collaboration.
Jump to
- TI Space-Grade Product Portfolio
- Fault Monitoring: Measuring What Matters
- Precision Data Acquisition
- Decision-Making: From Simple Logic to Intelligent Control
- Isolation and Containment: Preventing Fault Propagation
- Ensuring Power Availability With Smart Redundancy
- Summary
- References
- Additional resources
In space, maintenance and repair are not an option. Once deployed, satellite systems must operate reliably throughout their intended mission duration without physical intervention. This makes the use of fault detection, isolation, and recovery (FDIR) strategies a fundamental design requirement for all satellite subsystems. [1]
FDIR enables a system to detect abnormal behavior, isolate faulty components, and initiate recovery actions— ideally without compromising mission goals. However, implementing FDIR is far from trivial. It often results in increased cost, higher component count, expanded board area, and longer development time. Each additional component that is introduced to improve reliability also contributes its own failure probability, negatively impacting the system’s overall mean time to failure (MTTF).
Improving reliability by adding complexity requires a carefully balanced design approach. To meet design goals, effective FDIR must achieve its purpose with minimal design overhead that uses as few additional components with as high reliability as possible. Designers of satellite-based systems can use advanced space-grade semiconductors to enable targeted, efficient FDIR implementations.
This white paper discusses TI’s space product families and explains how they contribute to FDIR design —helping engineers reduce the burden on cost, board space, component count, power consumption, and development effort.
TI Space-Grade Product Portfolio
TI’s space-grade product portfolio provides essential building blocks for FDIR implementation, including components for voltage, current, and temperature sensing, signal comparison, decision-making logic, communication, switching, and isolation. These devices help designers build systems that can autonomously recognize faults and take corrective action—without excessive design complexity.
Additionally, some of TI’s space-grade devices such as the TMS570LC4357-SEP incorporate design principles and diagnostics in compliance with functional safety standards such as ISO 26262. These principles can be effectively repurposed for the rigorous reliability demands of space applications.
TI supports multi-mission flexibility by offering space-grade components in two quality levels (shown in Figure 1):

Figure 1: TI Space Product Grades
Both product categories offer material and process controls to mitigate risks from packaging such as tin whiskers, bond wire fatigue, or outgassing. With pin-compatible options across quality levels and ready-to-use documentation, TI’s catalog-based approach reduces cost, risk, and time-to-launch. For engineers designing FDIR systems, space-grade components from TI provide a reliable foundation to enable mission success without compromise.
TI has a long history of releasing QML-V products and also offers plastic-packaged space products with the following benefits:
- Much smaller size and much easier to use since the pins are pre-formed and -trimmed.
- Pin-compatibility between rad tolerant (-SEP) and rad hard (QML-P/QML-Y) options enables high re-use of
R&D efforts across mission profiles. - Better performance due to shorter bond wires which reduces the so-called “package parasitics”.
- Better heat dissipation capabilities.
A very important characteristic of space-grade components is that they follow a single controlled baseline manufacturing flow, meaning there is only a single wafer fab, a single assembly & test facility and only a single material set allowed. This is very different from commercial manufacturing flows. For example, the automotive market requires IC-vendors to assure supply of high volumes at any given point in time. In response to that need, IC vendors typically establish a very flexible manufacturing flow where multiple fabs and assembly and test sites are qualified for a single device and can be leveraged to respond to sudden increase in demand very quickly. Further, for any products sold at high volumes there is a need to continuously work on yield and cost optimization. It can be expected that over time there is quite some change in radiation hardness from parts qualified or screened in the past and newly placed orders. There is a significant difference between simply screening commercial components for radiation and purposefully manufacturing space-grade devices. Accordingly, real flight heritage can typically only be earned for space-grade components. The long-term financial and technical benefits of using space-grade components grow exponentially with time.
Fault Monitoring: Measuring What Matters
Continuous system health monitoring is a cornerstone of effective FDIR implementation. In satellite electronics, the most relevant physical parameters to track are voltage, current, and temperature. These values provide early indicators of abnormal operating conditions, allowing the system to react before permanent damage occurs. To measure these signals reliably in the harsh environment of space, Texas Instruments offers a wide portfolio of radiation-hardened and radiation-tolerant devices with proven flight heritage and application flexibility.
Current Monitoring
INA901-SP is a high-precision current sense amplifier that is both radiation-hardened and space-qualified. It supports a wide common-mode input range up to 65 V, making it suitable for various system voltages. Its optimized bandwidth ensures fast detection of overcurrent events, while high power-supply rejection and fast settling times help avoid false alarms caused by transient noise or interference. This enables high sensitivity and accuracy without compromising availability.
Voltage Comparison and Threshold Detection
The TLVxHx90-SEP family of comparators enable quick decision-making based on monitored signals. These components can rapidly detect whether a measured voltage—either from a rail or the output of a current sensor —is out of specification.
For example:
- The TLV4H290-SEP provides four independent comparator channels with a propagation delay of less than 0.1μs, while consuming only 25μA per channel in quiescent current.
- The TLV4H390-SEP delivers the same performance with open-drain outputs, making it easy to aggregate multiple fault signals into a single alarm line.
Temperature Sensing
Monitoring temperature is critical for both early fault detection and thermal management to limit the stress on the electronics as much as possible. TI’s space-grade temperature sensor ICs offer high accuracy with minimal design overhead.
For instance, the TMP461-SP uses the predictable temperature dependence of silicon bandgaps to achieve an accuracy better than ±0.1 °C. The device integrates several features, including excitation current generation, analog-to-digital converter (ADC) with input driver and the window comparator for the actual fault detection.
This level of integration reduces board complexity and simplifies communication via a standard I²C interface, making it easy to connect to a host FPGA or MCU.
For multi-point monitoring, the TMP9R00-SP, as shown in Figure 2, enables up to eight external sensor inputs. These can be connected to on-chip temperature diodes of FPGAs or ASICs, or to discrete sensors placed near thermal hotspots such as power FETs. An additional ninth sensor is integrated into the device for local measurements, enabling comprehensive thermal insight across the board.

Figure 2: TMP9R00-SP Enables Comprehensive Thermal Insight Across the Board
Precision Data Acquisition
For systems that require high-resolution monitoring of multiple analog parameters, TI offers precision ADCs with scalable channel count, integrated reference voltages, and self-test functionality.
ADC128S102QML-SP and ADC128S102-SEP are very popular in the market to address these fundamental requirements of FDIR with eight 12-bit Analog-to-Digital (ADC)-channels per device with sample rate capability of 50kSPS to 1MSPS.
For higher resolution needs ADC168M102R-SEP offers dual simultaneous sampling for up-to eight 16-bit ADC channels at 1Msps sampling rate and two DACs for two independent reference voltage outputs.
If an even higher channel count is needed the TMUX582F-SEP supports 8:1 multiplexed input channels with input voltages of up to ±16.5V and overvoltage protection of up to ±60V.
These high-channel count devices allow efficient, flexible signal acquisition with built-in reliability—even in the face of harsh conditions or variable input environments.
Decision-Making: From Simple Logic to Intelligent Control
Once a fault is detected, the system must decide how to respond: quickly and reliably. Depending on the complexity of the fault handling strategy, this can range from a simple logic operation to a fully autonomous, intelligent control process. Texas Instruments offers solutions at both ends of this spectrum, helping engineers tailor their designs according to mission requirements.
Logic-Based Decision Paths
For straightforward FDIR implementations, discrete logic components remain a highly effective and low- overhead solution. TI’s latest space-enhanced SCxT logic family simplifies system design by supporting single- supply level shifting across a broad voltage range (1.2V to 5.5V), eliminating the need for additional level translators.
Standard logic gates such as the SN54SC4T02-SEP (4-channel NOR) or SN54SC4T08-SEP (4-channel AND) allow for simple yet robust implementation of decision logic.
For added flexibility, configurable logic devices like the SN54SC3T97-SEP provide multiple logic functions with a single orderable part number.
MCU-Based Control
More advanced FDIR strategies often require a higher level of abstraction: monitoring multiple inputs, assessing plausibility, analyzing trends, and recording system behavior over time. Here, space-grade microcontrollers (MCUs) offer the ideal platform for intelligent, software-driven decision-making.
The MSP430FR5969-SP is specifically designed for low-power, space-constrained applications. It integrates ADCs, comparators, PWM outputs and voltage reference generation and many features more on a single chip, drastically reducing the need for discrete components. Its non-volatile FRAM memory is particularly well- suited for data logging, offering fast write cycles and high endurance. For example, using 20KB of the on-chip 64KB FRAM allows storage of up to 20,000 data points, which can be used for in-orbit software updates and behavioral tuning, fault analysis and root cause identification or post-mission review and optimization.
The TMS570LC4357-SEP dual-core lockstep MCU takes FDIR capabilities a step further. Originally developed for automotive safety systems such as Anti-lock Braking System (ABS) and power steering, this device was built from the ground up with ISO 26262 ASIL-D compliance in mind [3][7].
Key device features include:
- Certified development process to minimize systematic fault probability [5][6]
- Dual lock-step CPU architecture for real-time fault detection and response
- Comprehensive diagnostic coverage
These features provide the foundation for high-integrity fault response—even during mission-critical real-time operations. [8]
With 41 ADC channels, 64 GPIOs with timer and PWM capability, and multiple communication interfaces, the TMS570LC4357-SEP supports complex FDIR implementations. Its scalability is further enhanced by high- channel count devices like the AFE11612-SEP with 16 12-bit ADC channels, 12 digital-to-analog converter (DAC) channels, three temperature sensors and eight GPIOs. For example, adding two instances of AFE11612-SEP to the TMS570LC4357-SEP, as shown in Figure 3, enables a system with:
- 72 ADC Channels
- 32 DAC Channels
- Seven Complimentary PWM Outputs
- Six Enhanced Capture (eCAP) Modules
- Two Enhanced Quadrature Encoder Pulse (eQEP) Modules
- 64 GPIO with High-End Timer Modules for additional PWM outputs
- 16 Ext Interrupts/General-Purpose Input/Output (GPIO)
- Four Temp Sensor Inputs
- Two 2.5V-Reference Outputs
- 10/100Mbps Ethernet MAC
- Four Control Area Network (CAN) Controller
- Two Inter-Integrated Circuit (I2C) Modules
- Five Multi-buffered Serial Peripheral Interface (MibSPI)
- Four Universal Asynchronous Receiver/Transmitter (UART) Serial Communications Interface (SCI)

Figure 3: High-Channel Density Monitoring and Control System Based on TMS570LC4357-SEP and
AFE11612-SEP
Whether deployed as a central controller for the entire satellite bus or as a localized FDIR unit on individual PCBs, the TMS570LC4357-SEP delivers high reliability and flexibility with near-instant fault detection performance.
Isolation and Containment: Preventing Fault Propagation
In tightly integrated satellite systems, a local hardware failure on a single PCB can quickly affect neighboring subsystems—especially when high-voltage faults propagate through analog or digital I/O connections. This phenomenon, known as fault propagation, poses a serious risk to system integrity and mission success. To mitigate this risk, it is essential to introduce isolation barriers between critical circuit domains. These barriers contain faults locally, protect healthy subsystems, and allow graceful system degradation rather than total failure.
One of the most effective solutions for digital signal isolation in space applications is the ISOS141-SEP, a radiation-tolerant digital isolator from Texas Instruments. Unlike traditional optical isolators, the ISOS141-SEP uses capacitive isolation technology, which offers:
- Higher reliability in harsh environments
- Data rates up to 100 Mbps for fast and robust signal transfer
- Improved longevity and lower power consumption
This makes it ideally suited for high-speed communication between isolated circuit blocks, where both signal integrity and fault containment are mission-critical.
By implementing digital isolation with ISOS141-SEP, designers can significantly improve system-level robustness—ensuring that faults remain localized and that communication across the satellite remains operational, even under abnormal conditions.
Ensuring Power Availability With Smart Redundancy
In space systems, power supply robustness is not just important—it is mission critical. If a power rail fails, recovery options are extremely limited. Therefore, many satellite designs implement redundant power supplies to maintain continuous operation of vital subsystems.
At first glance, redundant supply design may seem straightforward. However, when implemented properly, it involves careful coordination of detection, isolation, and timing mechanisms.
Diode-Based Redundancy
The most basic approach to power redundancy is to connect two regulated outputs in parallel, each through a diode. For instance, two TPS7H4011-SP step-down converter devices can be configured to feed a single power rail. The diodes maintain that if one supply fails, for example, due to a short-to-ground in the output capacitor,the other remains unaffected and continues to deliver power.
The TPS7H4011-SP like its pin-compatible rad tolerant version TPS7H4011-SEP is especially suited for this configuration due to its integrated protection and monitoring features:
- Power-good output monitor for undervoltage and overvoltage
- FAULT input pin for flexible fault management
- Selectable current limit
- Thermal shutdown protection
- Adjustable input enables and power-good output
- Monotonic start-up into pre-biased outputs
- Adjustable slope compensation and soft-start
- Differential remote sensing
The device can be configured with up-to four devices in parallel without an external clock, either for increased current capabilities or – with regards to FDIR – simply for redundancy with minimized design overhead.
However, robust power systems often require more than just passive diodes. To prevent fault feedback into the main power rail, it may be necessary to actively disconnect a faulty converter from its input side.
This requires:
- Switching elements to isolate the failing device
- Fault detection logic for overcurrent, undervoltage, overvoltage, or overtemperature events
- Latch circuits to retain the fault state after the root cause disappears
- Timing mechanisms to implement retry logic with appropriate delay and retry limits
- Blanking periods to suppress false triggers during events like power-up inrush or benign transients
If not carefully designed, these added elements could actually reduce overall system reliability by increasing the mean time to failure (MTTF). Therefore, smart redundancy requires a well-integrated and tested architecture.
One way to streamline complex redundancy control is to use a high-reliability MCU such as the TMS570LC4357-SEP. If already present on the PCB for other functions, it can also manage power fault response with minimal additional circuitry—adding value without inflating component count or power budget.
Taking the concept one step further, the design principle shown in Figure 4 enables fault tolerance with no single point of failure, meaning that any single component in the redundancy scheme can fail without compromising the power delivery to downstream systems. [2]

Figure 4: Generic Fault-Tolerant Power Supply Architecture
Using TPS7H2221-SEP as load switch contributes further to robustness and recoverability with its integrated protection features and mechanisms such as:
- Short-circuit protection
- Inrush current limiting to reduce stress on upstream components
- Thermal shutdown with automatic restart
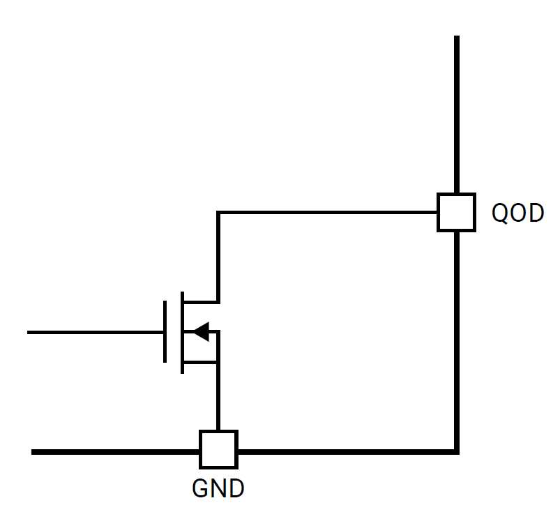
- Quick Output Discharge (QOD) to recover latched downstream loads (see Figure 5).

Figure 5: The Quick Output Discharge (QOD) Feature Offers a Controlled Path to Ground
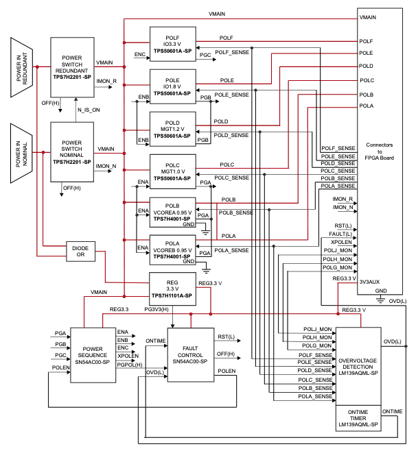
A practical example of optimized redundancy is presented in a joint white paper by Texas Instruments and STAR-Dundee [4], detailing a fault-protected power architecture for the Xilinx KU060 FPGA (see Figure 6), as discussed in the application brief, Power Supply for the STAR-Tiger SpaceFibre Routing Switch.
It demonstrates redundant power input management, proper power sequencing and comprehensive fault detection and isolation mechanisms with very low number of components added. The design utilizes the TPS7H2201-SP smart load switch that integrates over-voltage and under-voltage protection, over-current and current sensing, along with thermal protection and internally- or externally- controlled load switching.

Figure 6: Fault-Protected Power Architecture for the Xilinx KU060 FPGA
The two examples above illustrate how high-performance, space-grade components can be used to build a robust, fault-tolerant system-level power solution for demanding satellite applications.
Summary
Implementing FDIR in electronic designs for space missions is complex. It requires components that can withstand radiation, temperature extremes, and long mission durations—conditions that standard commercial components are not built for.
TI’s space-grade products offer integrated diagnostics and fault handling features to help designers reduce overhead. Dedicated solutions enable effective isolation and avoidance of fault propagation. TI can provide support for the full range of system recovery strategies, from a simple “switch-over” up-to complex decision making based on multiple sensor inputs.
References
- Research and Design of Hierarchical FDIR in Spacecraft Xiaodong Jia(&), Chunping Zeng, and Yufu Cui DFH Satellite Co., Ltd., Beijing 100094, China [email protected]
- Heimerdinger, W. L., and Weinstock, C. B., “A Conceptual Framework for System Fault Tolerance,” USAF CMU/SEI-92- TR-033, ESC-TR-92-033, 1992.
- Texas Instruments: Hercules™ Microcontrollers: Real-time MCUs for safety-critical products
- Texas Instruments and STAR-Dundee, detailing a fault-protected power architecture for the Xilinx KU060 FPGA (figure 7), Space Power Supply for the STAR-Tiger SpaceFibre Routing Switch
- Texas Instruments: TÜV NORD Certificate for Functional Safety Software Development Process
- Texas Instruments: Certification for Functional Safety Hardware Process
- Texas Instruments: TUEV SUED Certification for TMS570LC43x
- Benefits of using functional safety in commercial space applications, Journal of Space Safety Engineering Volume 12, Issue 1, March 2025, Pages 187-194, F. Lumpe, M. Seidl
Additional resources
- TI’s Space Design Resources hub
- Designing space systems with integrated FDIR strategies – with Texas Instruments (podcast)
- The benefits of standardized architectures for space missions – with Texas Instruments (podcast)